加入收藏
|
联系我们
网站首页
公司简介
产品展示
产品知识
新闻公告
联系我们
产品栏目
变频器
ABB
台达 DELTA
西门子 SIEMENS
三菱 MITSUBISHI
松下 Panasonic
正泰 CHINT
施耐德 Schneider
欧姆龙 OMRON
光伏重合闸断路器
巨霸电气
伺服系统
台达DELTA
富士电机
施耐德 Schneider
欧姆龙 OMRON
西门子 SIEMENS
松下Panasonic
三菱MITSUBISHI
软启动
ABB
西门子SIEMENS
上海人民
台达DELTA
正泰 CHINT
德力西
施耐德 Schneider
产品中心
首页
>
软启动
>
西门子SIEMENS
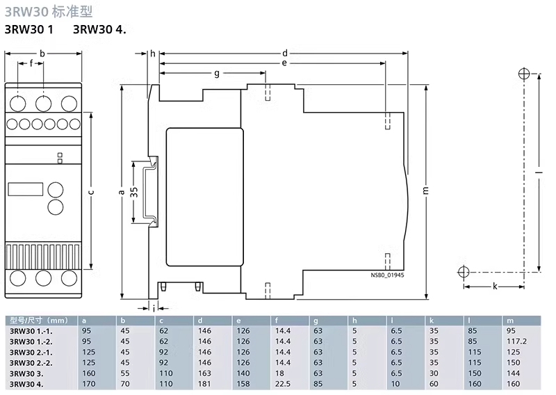
西门子软启动器基本性能型3RW3016-1BB04 4KW 电压24V
西门子软启动器
商品介绍
分享到:
服务热线
15858888772
电子邮箱
409088512@qq.com
公司地址
乐清柳市经济开发区南22号
TOP